| Manufacturer: | Scratch |
I was cruising the B.A.R. and Rocketry Web rings a few month's ago and became inspired by some homemade launch systems I found in Cyber Space. I was dissatisfied with the performance of my Estes Launch Control (a wimpy 9 volts of power) but what could I do? It was a constant source of embarrassment when I would launch with friends and family and after countdown...N-O-T-H-I-N-G!!! I grinned with delight because I knew from my experience with the SPAAR Club NAR Section 503 that their 12 volt system never failed to spark the standard Estes igniter.
My main inspiration came from Dave's Rocketry Web. Dave also spent a lot of time trying to get the basic principles of electricity into my thick skull. Thanks for all your help Dave!
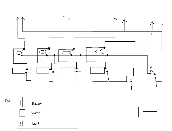
Dave's Launch system was an inspiration but was also way beyond in detail, complexity and price that I was willing to go. I needed a system for our Light the Fire Ministry and Rocket Club that contained a safety key (to conform with NAR Safety Regulations) and a master light (launch system power on indicator). I also wanted to be able to launch up to four rockets simultaneously.
The first thing I bought was the power source. I went to K-Mart and bought a 12 volt Lawn Tractor battery for $25.00. This thing has 300 cranking AMPS! One of my friends said that was enough power to launch a nuke! :)
Next I headed to Radio Shack for the supplies I needed. I bought five (5) 12-volt subminiature lamp bases and five (5) bulbs (sold separately). The lamps act as continuity lights and also resistance so the igniters won't fire until you throw the switch. If you don't want to launch rockets simultaneously then you can go with push buttons instead of switches.
I used basic throw switches. I got four (4) of them and one (1) master key lock. Without a key, the launch system cannot be armed. I needed four (4) pair of standard size alligator clips for the leads and ten (10) pair of 18-24 gauge quick connectors because I wanted to be able to break the system down and roll up the wire.
I used larger cable clamps to attach to the power source from the launch board. I bought fifty (50) feet of 16 gauge wire to solder everything together and finally from Home Depot one hundred (100) feet of 18 gauge bell wire (red and white together).


I mounted the electronic components to a 1/4" piece of plywood. I then boxed the unit in and screwed on hinges and a sash lock for easy access to the electronics and wiring.
Here is the schematic for the launch control system along with some photos. If you have a group of friends that like to launch together and you are dissatisfied with your 9 volt system and want multiple launch capability then this system is for you!

![]() |
![]() |